Popis
Romotop HEAT 3G L 66.50.04(06)
Krbové vložky HEAT s výsuvnými dvierkami sa vyznačujú jednoduchým, ale nadčasovým dizajnom, ktorý osloví aj tých najnáročnejších zákazníkov.
Čistý a minimalistický tvar reaguje na dnešné požiadavky bytovej architektúry.
Krbové vložky HEAT majú veľkoformátové, dizajnovo potlačené sklo pre jedinečný zážitok z ohňa.
O jednoduchý, tichý a presný chod výsuvu dvierok sa postará najnovší systém pojazdov SILENT LIFT.
Spaľovacia komora je vyložená žiaruvzdorným materiálom IGNITON, v štandarde je to ohnisko tzv. bezroštové.
Na prianie zákazníka sa dá zameniť na variantu s roštom. Vložky sú určené na konvekčnú prevádzku.
Inovatívny systém vedenia spalín DOUBLE SPIN zvyšuje účinnosť a ekologickosť krbovej vložky.
Predohrev sekundárneho vzduchu zaisťuje čisté sklo.
Reguláciu primárneho a sekundárneho prívodu vzduchu možno riadiť jediným ovládacím prvkom.
Vložky disponujú systémom CPV – centrálny prívod externého vzduchu.
Pre čo najúčinnejšie horenie je do komory privedený terciálny vzduch.
Ku krbovým vložkám je možné dokúpiť bočné a horné akumulačné súpravy MAMMOTH, ktoré predĺžia čas sálania tepla o viac ako 12 h.
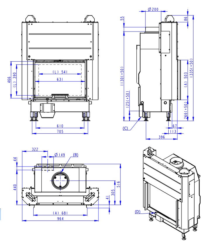
Technické parametre :
Výška 1335 mm
Šírka 964 mm
Hĺbka 557 mm
Výška dvierok 466 mm
Šírka dvierok 631 mm
Hmotnosť 233 kg
Regulovateľný výkon 3,9-10,1 kW
Priemer dymovodu 150 mm
Priemer dymového hrdla 150 / 200 mm
Priemer CPV 150 mm
Účinnosť 85,0 %
Priemerná spotreba dreva 2,2 kg/h
Príslušenstvo :
AIRBOX 02
AKUMULAČNÁ SADA BOČNÁ ROMOTOP MAMMOTH
AKUMULAČNÁ SADA HORNÁ ROMOTOP MAMMOTH pre krbové vložky s priemerom dymovodu 200 mm (AKKUM KV 04)
KONVEKČNÉ OPLÁŠTENIE (H2LE KON01)
NASTAVOVACIE NOHY predĺžené
REDUKCIA 200/180 mm
RÁM H3LE RAM13 nosný
RÁM H3LE RAM14 nosný
RÁM H3LE RAM15 nosný podporný
RÁMIK H3LE RAM11 krycí
RÁMIK H3LE RAM12 krycí
SET TRANSPORTNÝCH RUKOVÄTÍ
ZOSTAVA ROŠTU (H3 ROST 03)














Recenzie
Nikto zatiaľ nepridal hodnotenie.